與傳統制造方法相比,增材制造(又稱“3D 打印”) 具有以下優點:1) 可迅速制造出自由曲面和更復雜形態的零件,如零件中的凹槽、凸肩和復雜的內流道等;
2) 材料利用率高,尤其是對昂貴的稀有材料來說,可大大降低成本;3) 高度自動化,人工干預少;4) 加工效率高,尤其對難加工材料,能迅速制作出產品實體模型及模具[1?2]。在眾多材料中,金屬材料增材制造無疑是最具發展潛力的[3],根據其成形原理不同,增材制造技術包括激光熔覆、激光堆焊、激光近成形制造、激光直接沉積成形、選擇性激光熔化、等離子熔積制造和電子束熔融制造等[4?6]。任何一種增材制造技術都存在尺寸精度差和表面光潔度不太理想的問題, 需要進行后處理,包括整形、拋光、噴丸等,這是由其制備過程中分層疊加造成的尺寸誤差和階梯效應決定的[7?8]。傳統的減材制造(如機加工)具有高精度、高效率和高表面質量等優點,將增材制造與減材制造混合和集成在一臺設備上,便產生了一種新的復合加工技術—增減材復合加工技術。增減材復合加工技術已引起越來越多研發機構的重視。如德國 Fraunhofer IPT 融合材料添加和去除方法開發了控制金屬堆積技術, 在增材制造過程中,利用銑切來加工每一層的表面輪廓,制備的不銹鋼零件,致密度達到 99%,并達到精度和表面光潔度要求[9];日本松浦機械制作所推出的商業化LUMEX A-vance-25 復合光造型機,用激光燒結和銑削工藝相結合的方式(SLM 燒結+銑削),實現高精度的成型效果[10];DMG MORI 推出的LASERTEC 65 3D 是全球首臺真正意義上的增/減材復合加工生產型設備,該設備可以借助高剛性的五軸聯動數控銑床進行高精度的銑削加工與激光加工之間全自由切換, 實現快速三維成形和工件精度的良好控制。LASERTEC 65 3D 能夠完整地加工帶底切的復雜工件,能進行修復加工和對模具及機械零件,甚至醫療器械零件進行局部或者全面的噴涂加工,其沉積速度達1 kg/h,比鋪粉激光燒結法制造零件的速度快10 倍,目前在全球已經有 20 余臺的應用量,特別是在歐美、日韓等發達國家。相比于國外,國內對基于增/減材復合制造技術的研究開展較晚,研究不多。華中科技大學張海鷗教授開發的“智能微鑄鍛銑復合制造技術”,實現了我國首超西方的微型邊鑄邊鍛的顛覆性原始創新。黃河旋風股份有限公司在全國布局了第一臺 DMG MORI LASERTEC 65 3D 復合加工中心,主要針對傳統行業難以加工的、具有復雜曲面構造的關鍵零部件提供定制化加工服務。異型渦輪增壓殼體,底端有帶分布孔的法蘭,需要銑削外圓、平面和鉆孔,喇叭外周有 12 個接頭,必須采用焊接、銑削和鉆孔等工序。
由于喇叭口大于底座的法蘭,造成法蘭上的孔難以加工。按照傳統的減材制造的觀念,這是一個工藝加工性極差、幾乎無法在一臺設備上加工完畢的零部件。本研究采用 LASERTEC 65 3D,通過激光直接金屬沉積技術進行增材加工成形,并與銑削技術自由切換和交替進行,完成不銹鋼渦輪增壓殼的粉末激光直接金屬沉積成形和 5 軸銑削,實現擁有最終品質零件的快速制備,優化沉積工藝參數,初步探究 DMG MORI LASERTEC 65 3D 復合加工中心進行金屬合金構件增材與減材復合制造的零件加工能力水平和應用空間。
1 實驗
1.1 設備和材料
采用圖 1 所示的德國 DMG MORI LASERTEC 65 3D 復合加工中心,進行不銹鋼渦輪增壓殼的粉末激光直接金屬沉積成形和 5 軸銑削加工的復合制造。設備主要參數指標如下:2 500 W 光纖激光器,波長1 030nm,最大光斑直徑達 3 mm,最大成形尺寸為 650 mm×650 mm×560 mm,最大成形速度達 1 kg/h,比粉床鋪粉方式增材制造設備的速度快 10 倍;銑削主軸轉速10 000 r/min,回轉軸(C 軸)360°,擺動范圍(A 軸)±120°。

圖 1 DMG MORI LASERTEC 65 3D 加工中心
Fig.1 DMG MORI LASERTEC 65 3D machining center
所用材料為黃河旋風股份有限公司采用惰性氣體霧化法制備的 304 不銹鋼粉末,粉末形貌如圖 2 所示。粉末形貌呈球形,粒徑范圍 50~150 μm,D50 為 85 μm,粉末使用前需在 200 ℃條件下干燥 3 h;基板為直徑
200 mm、厚度 20 mm 的圓形 316L 不銹鋼板,打印前用砂紙打磨基板,再用乙醇清洗,以去除基板表面的磨屑和污漬,然后烘干。

圖 2 304 不銹鋼粉末的 SEM 形貌
Fig.2 SEM micrograph of the gas-atomized 304 stainless steel powder
1.1 增材制造
影響粉末激光直接金屬沉積成形(laser directed energy deposition shaping,縮寫為 LDEDS)效果的因素很多,如激光功率 P、掃描速度 v1、掃描間距及送粉速度 v2 等。本研究采用搭接率為 40%[15],對激光功率、掃描速度和送粉速度這 3 個參數進行優化。具體步驟為:首先進行單道次沉積實驗,采用正交試驗法設計
12 組實驗,根據金相顯微鏡下觀察的沉積層截面形貌,初選出 3 組較好的工藝參數;分別采用選出的 3 組較好工藝參數,制備多道次二維沉積層,沉積面積為 60 mm×20 mm,采用 VEECO DEKDAK 150 表面輪廓儀測量二維沉積層的表面粗糙度 Ra,Ra 值最小的,即被確定為最佳的工藝參數;最后采用最佳工藝參數,進行多道次三維 LDEDS,沉積尺寸為 100 mm×20 mm×30 mm(長×寬×高)。二維沉積層的表面粗糙度 Ra 為取樣長度內輪廓偏距絕對值的算術平均值,其計算方法為:

優化的激光增材加工工藝確定以后,顆粒尺寸為50~150 μm 的不銹鋼粉末通過激光頭中的管道輸送到工件表面,進行多道次三維沉積,激光束將金屬粉末按設備設計路徑逐層沉積在 316L 不銹鋼基板表層, 實現樣品零件的增材成形。其間提供惰性保護氣體, 避免熔覆的金屬粉末氧化。金屬層冷卻后,即進行銑削加工,整個加工過程由帶 CELOS 與 Operate 4.5 版的 Siemens 840D Solutionline 系統實現自動化控制。
1.3 增/減材復合制造
在 DMG MORI LASERTEC 65 3D 復合加工中心上,通過激光直接金屬沉積技術進行增材加工成形, 并與銑削技術自由切換,完成不銹鋼渦輪增壓殼的末激光直接金屬沉積成形和 5 軸銑削加工的復合制造,實現擁有最終品質零件的快速制備。
1.4 性能測試
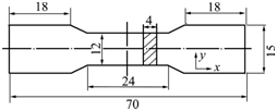
采用線切割法在多道次三維沉積樣品上截取標準拉伸試樣(GB6397-86)和金相試樣。拉伸試樣尺寸如圖3 所示。在 INSTRON 3369 型萬能試驗機上進行力學性能測試,預載 200 N,拉伸速度為 1 mm/min,用Quanta 200 型掃描電鏡(SEM)觀察拉伸斷口形貌,分析激光近凈成型零件的斷裂特性,并使用能譜儀對斷面進行微區成分分析。金相試樣觀察截面首先用200~600 目的砂紙粗磨,然后再用 800~2 000 目的砂紙進行精磨。磨好的試樣在拋光機上拋光,然后用水和酒精清洗干凈,腐蝕后在 EPIPHOT?300 型金相顯微鏡下觀察顯微組織。
圖 3 拉伸試樣形狀示意圖
Fig.3 Schematic diagram of figure of the tensile specimen (Unit: mm)
2 結果與討論
2.1 LDEDS 工藝參數優化
2.1.1 單道次一維 LDEDS
表1 所列為正交試驗設計的12 組單道次沉積工藝
參數和沉積層的截面尺寸,圖 4 所示為典型的單道次一維沉積層截面形貌。粉末凝固形成的熔化道在基板以上部分形成一個類似的圓弧形狀,在基板表面以下, 還形成了一個穿透基板的熔透區域。通過金相顯微鏡和微觀形狀測量,對熔化道的寬度、高度、熔透深度及潤濕角進行對比分析。根據單道次沉積的截面形貌均勻性和潤濕性分析[15],最終選取 2#,7#和 12#工藝參數來制備多道次二維沉積層。
2.1.1 多道次二維沉積
取 2#,7#和 12#工藝參數進行多道次二維單層沉積。測量沉積樣品的表面粗糙度,測量方向垂直于掃描線方向,測量結果如圖 5 所示。表 2 所列為不同工藝參數下多道次二維沉積層的表面粗糙度 Ra。由表可 知,12#沉積層樣品的 Ra 值最小(11.94 μm),選擇該組工藝參數(激光功率 2 400 W,掃描速度 1 000 mm/min,送粉速率14 g/min)進行不銹鋼粉的LDEDS 增材制造。



2.1.1 多道次三維沉積
采用優化的工藝參數(激光功率為 2 400 W,掃描速度為 1 000 mm/min,送粉速率為 14 g/min)進行多道次三維沉積,對沉積部位取標準拉伸試樣 3 個,圖 6所示為 3 個試樣的拉伸應力?應變曲線,測試結果列于表 3。從結果看出 LDEDS 試樣的抗拉強度達到 632 MPa,伸長率為 46.9%。對比行業標準,其力學性能與同材質的鍛造件相當,明顯高于鑄造件。

圖 7 所示為 304 不銹鋼粉末激光直接金屬沉積成形件的拉伸斷口形貌。可見斷口分布著大量均勻細小的韌窩,試樣為韌性斷裂。這些韌窩的產生是由于在加載達到屈服強度時,材料開始塑性變形,但仍然可以觀察到極少量的孔洞和夾雜等缺陷,以致產生應力集中,從而導致斷裂。對夾雜物進行能譜分析,其主要成分是 SiO2,還有少量其它氧化物,這些不規則氧化夾雜物可能來自粉末原料或者沉積過程中形成的, 夾雜物的存在導致在該處產生應力集中,裂紋易于形成。因此,要提高激光堆焊成型部件的力學性能,應適當控制原料粉末的潔凈度,以防氧化物夾雜的出現。

圖 7 激光直接金屬沉積成形件的拉伸斷口形貌(a)及缺陷分析(b)
Fig.7 Fracture surface morphology (a) and defect elemental analysis (b) of tensile specimen
2.1 銑削加工
在 LASERTEC 65 3D 設備上對多道次三維
LDEDS 樣件進行銑削加工,圖 8 所示為銑削后的形貌。加工時切屑與刀具無粘附現象,切屑呈淡黃色,
銑削面的表面形貌如圖 8(a)所示,基本無積屑瘤和鱗刺,可達到減材加工表面質量要求。圖 8(b)為銑削件的截面形貌,可見沉積件為理想的等軸晶組織,這與沉積件力學性能優良相一致。
2.1 渦輪殼的增/減材復合制造
在 DMG MORI LASERTEC 65 3D 復合加工中心
上,通過激光直接金屬沉積技術進行增材加工成形, 與銑削技術自由切換,完成不銹鋼渦輪增壓殼的粉末激光直接金屬沉積成形增材制造和 5 軸銑削減材加工的復合制造,實現擁有最終品質零件的快速制備。增材工藝參數為:激光功率2 400 W,掃描速度1 000 mm/
min,送粉速率 14 g/min。增/減材復合加工工藝流程如圖 9 所示:1) 圓柱環的激光成形(增);2) 法蘭的激光成形(增);3) 銑削法蘭平面(減);4) 法蘭鉆孔
(減);5) 圓柱連續成形(增);6) 堆焊橫截面(增);7) 激光成形圓錐口(增);8) 第二法蘭的激光成形(增);9) 12 個接頭的激光成形(增);10) 銑削內圓弧型腔(減);11) 銑削法蘭與內輪廓(減);12) 銑削接頭(減)。零件的整個加工過程實現了如法蘭鉆孔、接頭生產等難加工部件的一次成形,激光直接金屬沉積成形時間 230 min, 銑削加工時間 76 min,較傳統加工方式效率提高 5~8 倍。最終成形零件如圖 10 所示,均達到最終的精度設計要求。

圖 8 銑削件的表面與截面顯微組織
Fig.8 Microstructure of the milling test piece surface (a) and cross section (b)

圖 9 渦輪殼的增/減材復合制造工序圖
Fig.9 Additive/subtractive hybrid manufacturing process drawings of the turbo-housing

圖 10 異型渦輪增壓殼體零件
Fig.10 Irregular turbocharged housing
結論
1) 采用 DMG MORI LASERTEC 65 3D 復合加工中心,完成不銹鋼渦輪增壓殼的粉末激光直接金屬沉積成形和 5 軸銑削加工的復合制造,最佳的沉積工藝參數為:激光功率為 2 400 W,掃描速度為 1 000 mm/ min,送粉速率為 14 g/min,沉積件獲得理想的等軸晶組織,其抗拉強度和伸長率分別達到 632 MPa 和46.9%,與同行業標準相當。
2) 用DMG MORI LASERTEC 65 3D 復合加工中心,可完成不銹鋼異型渦輪增壓殼體的粉末激光直接金屬沉積成形和 5 軸銑削的復合加工制造,在保證工件精度的前提下,能較好地實現如法蘭鉆孔、接頭生產等難加工部件的一次性成形。
2024-11
本文以組合式六角亭模型為實例,分析工藝難點與加工可行性,指出該模型的加工難點是模型形狀不規則和整體剛性差,并通過設計新的工藝方案解決加工難點,完成了模型整體的加工。新的加工工藝有助于提高加工效率和精度,為五軸數控加工提供了一個典型案例,對于五軸加工中心數控加工也具有指導作用和重要… [了解更多]
2024-11
宇匠數控 備注:為保證文章的完整度,本文核心內容由PDF格式顯示,如未有顯示請刷新或轉換瀏覽器嘗試,手機瀏覽可能無法正常使用!本文摘要:通過對混聯五軸加工中心自適應深度學習控制方法的 研 究,可 知 此 方 法 的 創 新 之 處 在 于:1)建 立 了 機 床 的 運 動 學 … [了解更多]
2024-11
在機測量技術由于其成本低、檢測效率高、無需二次裝夾等優勢被廣泛用于零件加工測量當中,使得五軸加工中心和五軸鉆攻中心,同時又兼具測量功能。在機測量系統的構成如圖1所示,硬件部分主要是由高精度探頭、信號接收器、機床整個本體,軟件部分由機床控制系統、測量軟件等組成[8]。待零件加工完成… [了解更多]
2024-11
?加工精度是影響機床性能和產品質量的主要難題,也是制約國家精密制造能力的重要因素。本文以五軸加工中心為對象,針對提升機床精度進行了研究。并且隨著科技的發展,精密的儀器和零件在生產實踐中占據的分量逐漸增加,在數控機床這種精密機器精度不斷提高的同時,必須控制內外界環境的隨機影響因素在… [了解更多]